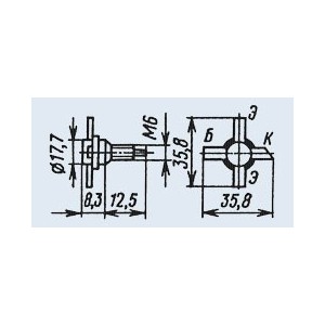
КТ9111А 2Т9111А
Транзистор КТ9111А 2Т9111А кремниевый эпитаксиально-планарный структуры n-p-n генераторный. Предназначен для применения в линейных широкополосных усилителях мощности на частотах 1,5...80 МГц при напряжении питания 50 В.
Описание взято с сайта http://www.eandc.ru


