STABILITRON


Статьи и Help


Форум


Файлы


FAQ


Ссылки


Фото Каталог

КТ963А-2 2Т963А-2

Категории

Реклама

Новости

КТ963А-2 2Т963А-2

Транзисторы кремниевые эпитаксиально-планарные структуры n-p-n генераторные.
Предназначены для применения в генераторах и усилителях мощности в диапазоне частот 2...10 ГГц в схеме с общей базой в составе гибридных интегральных микросхем, микросборок.

Описание взято с сайта http://www.eandc.ru

подробнее


312 руб.


Товар виртуального склада, запросить о сроках поставки

Добавить в список

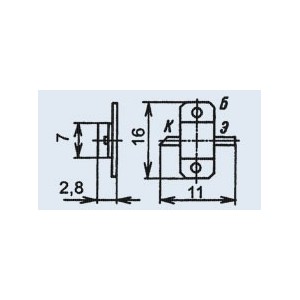
Транзисторы 2Т963А-2, 2Т963Б-2, КТ963А-2, КТ963Б-2 бескорпусные на металлокерамическом кристаллодержателе с гибкими выводами.
Тип прибора указывается на кристаллодержателе.
Транзисторы 2Т963А-5, КТ963А-5 выпускаются в виде кристалла с контактными площадками без кристаллодержателя и без выводов.
Тип прибора указывается в этикетке.
Масса бескорпусного транзистора не более 2 г, кристалла не более 0,0001 г.

Основные технические характеристики транзистора 2Т963А-2:
• Структура транзистора: n-p-n;
• Рк и max - Максимально допустимая импульсная рассеиваемая мощность коллектора: 1,1 Вт;
• Uкбо max - Максимальное напряжение коллектор-база при заданном обратном токе коллектора и разомкнутой цепи эмиттера: 18 В;
• Uэбо max - Максимальное напряжение эмиттер-база при заданном обратном токе эмиттера и разомкнутой цепи коллектора: 1,5 В;
• Iк max - Максимально допустимый постоянный ток коллектора: 0,21 А;
• Iкбо - Обратный ток коллектора - ток через коллекторный переход при заданном обратном напряжении коллектор-база и разомкнутом выводе эмиттера: не более 1 мА (18В);
• Ск - Емкость коллекторного перехода: не более 1,5 пФ;
• Ку.р. - Коэффициент усиления мощности: не менее 3 дБ;
• Рвых - Выходная мощность транзистора: не менее 0,8 Вт на частоте 10 ГГц

Корзина  

(пустая)

Новые товары

В данный момент новых товаров нет

Реклама интересное!


Сервер Кубанскик радиолюбителей

Сервер радиолюбителей России - схемы, документация,<br />
соревнования, дипломы, программы, форумы и многое другое!