КТ979А 2Т979А
Транзистор КТ979А 2Т979А кремниевый эпитаксиально-планарный структуры n-p-n генераторный
Описание взято с сайта http://www.eandc.ru

|
Добро пожаловать, Вход |
Транзистор КТ979А 2Т979А кремниевый эпитаксиально-планарный структуры n-p-n генераторный
Описание взято с сайта http://www.eandc.ru
Предназначен для применения в усилителях мощности, умножителях частоты и автогенераторах в схеме с общей базой на частотах 0,7...1,4 ГГц при напряжении питания 28 В в непрерывном режиме и 35...40 В в импульсном режиме.
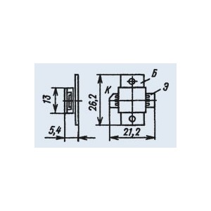
Выпускается в металлокерамическом корпусе с полосковыми выводами и монтажным винтом.
Внутри корпуса имеются согласующие двухзвенные LС-звенья на входе и выходе транзистора.
Тип прибора указывается на корпусе.
Масса транзистора не более 5 г.
Основные технические характеристики транзистора КТ979А 2Т979А:
• Структура транзистора: n-p-n;
• Рк т max - Постоянная рассеиваемая мощность коллектора с теплоотводом: 75 Вт;
• Uкбо max - Максимальное напряжение коллектор-база при заданном обратном токе коллектора и разомкнутой цепи эмиттера: 50 В;
• Uэбо max - Максимальное напряжение эмиттер-база при заданном обратном токе эмиттера и разомкнутой цепи коллектора: 3,5 В;
• Iк max - Максимально допустимый постоянный ток коллектора: 5 А;
• Iк и max - Максимально допустимый импульсный ток коллектора: 10 А;
• Iкбо - Обратный ток коллектора - ток через коллекторный переход при заданном обратном напряжении коллектор-база и разомкнутом выводе эмиттера: не более 100 мА (50В);
• Ку.р. - Коэффициент усиления мощности: не менее 6 дБ;
• Рвых - Выходная мощность транзистора: не менее 50 Вт на частоте 1,3 ГГц
Нет товаров
Доставка
0 руб.
Всего
0 руб.
исключая налог
В данный момент новых товаров нет